Бензиновый двигатель Lifan 190F 18A

190F 18A
В наличии Мало
Рейтинг 0
Нет отзывов

Бензиновый двигатель Lifan 190F 18A

Цена по запросу
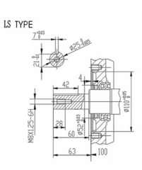
Длина вала: 60 мм
Диаметр вала: 25 мм
Объем двигателя: 420 см3
Мощность двигателя: 15 л.с.
Номинальная мощность: 10.5 кВт
Полож. вала: Горизонтальное
Запуск: Ручной стартер
Описание

Бензиновый двигатель Lifan 190F 18A 15 л.с. - двигатель для установки в основном на различную технику бытового назначения и складскую технику, щепорезы и пилорамы, гидроагрегаты и бурильные установки и т.д.. Мотор Лифан 190F 18A работает на бензине, что расширяет возможность использования в различных погодных условиях. Гильза цилиндра изготовлена из чугуна, что существенно увеличивает срок службы двигателя и оснащённого им агрегата. Датчик уровня масла не позволит работать двигателю Lifan 190 F 18A с минимальным уровнем. Замену масла рекомендуется производить каждые 100 часов работы двигателя. Возвратно пусковой механизм системы запуска является надежным и долговечным.

 

Технические характеристики

 
 Производитель  Lifan
 Бензин/Дизель  Бензин
 Номинальная мощность, кВт  8,5
 Максимальная мощность, кВт  10,5
 Рабочий объем двигателя, см3  420
 Тип двигателя  4-х тактный, одноцилиндровый, с воздушным охлаждением   
 Максимальная мощность, л.с.  15
 Максимальное количество оборотов/мин         3500
 Обороты холостого хода, об/мин  1350 ±50
 Длина вала, мм  60
 Диаметр вала, мм  25
 Расположение вала  Горизонтальное
 Тип вала  LS-type
 Объем масла в двигателе, л  1,1
 Ёмкость топливного бака, л  6,5
 Крутящий момент  25 Нм при 2500 об/мин
 Диаметр цилиндра, мм  90
 Ход поршня, мм  66
 Степень сжатия  8,2:1
 Система запуска  Ручной стартер
 Катушка освещения, А  18А
 Наличие редуктор  Отсутствует
 Система подачи топлив  Карбюратор
 Габаритные размеры, мм  403х449х440
 Вес(нетто), кг  34
 Сфера применения  Генераторы, измельчители, культиваторы, мотоблоки, мотопомпы, снегоуборщики  

 

Характеристики
Диаметр вала, мм
25
Длина вала, мм
60
Емкость топливного бака, л
6,5
Катушка освещения, А
11
Мощность, кВт
10,5
Мощность, л.с.
15
Объем двигателя, см3
420
Применение
вездеходы
Применение
генераторы
Применение
измельчители
Применение
культиваторы
Применение
минитракторы
Применение
мотоблоки
Применение
мотопомпы
Применение
снегоуборщики
Производитель
Lifan
Расположение вала
Горизонтальное
Система запуска
Ручной стартер
Тип топлива
Бензин
Условия доставки
1Стоимость доставки до терминала транспортной компании в г.Москва
Доставка осуществляется до терминала транспортной компании. Межтерминальную перевозку оплачивает сам покупатель.
Стоимость доставки: 500 рублей
Отзывы
0
На основании 0 отзывов
5 Звезд
4 Звезды
3 Звезды
2 Звезды
1 Звезда
Оставьте отзыв!
Вы приобрели товар? Поделитесь своим мнением с другими и возможно вы поможете кому-то сделать правильный выбор!
Ваша оценка:
WhatsApp