Бензиновый двигатель Lifan 190FD 3A

190FD 3A
В наличии Мало
Рейтинг 0
Нет отзывов

Бензиновый двигатель Lifan 190FD 3A

Цена по запросу
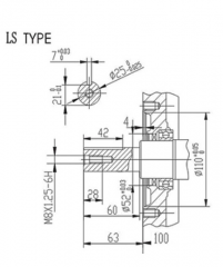
Длина вала: 60 мм
Диаметр вала: 25 мм
Объем двигателя: 420 см3
Мощность двигателя: 15 л.с.
Номинальная мощность: 10.5 кВт
Полож. вала: Горизонтальное
Запуск: Электро/Ручной старт
Описание

Бензиновый двигатель Lifan 190FD 3A мощностью 15 л.с. предназначен для установки на различную технику бытового назначения, насосы и электрогенераторы. Мотор Лифан 190FD 3A весит всего 36 кг. Двигатель Lifan 190 FD 3A компактный по габаритам. Легко переносит длительные нагрузки за счет системы принудительного воздушного охлаждения. При низком уровне масла автоматика не даст двигателю завестись. Объема бака хватает на несколько часов бесперебойной работы. В представленной модели гильза цилиндра двигателя выполнена из чугуна, что позволяет увеличить в разы моторесурс двигателя. Также у данной модели есть электростартер, позволяющий за считанные секунды запустить Lifan 190FD 3A. Но производитель предусмотрел и возможность запуска силовой установки с помощью ручного стартера, что является очень удобным.

 

Технические характеристики

 
 Производитель  Lifan
 Бензин/Дизель  Бензин
 Номинальная мощность, кВт  8,5
 Максимальная мощность, кВт  10,5
 Рабочий объем двигателя, см3  420
 Тип двигателя  4-х тактный, одноцилиндровый, с воздушным охлаждением   
 Максимальная мощность, л.с.  15
 Максимальное количество оборотов/мин         3500
 Обороты холостого хода, об/мин  1350 ±50
 Длина вала, мм  60
 Диаметр вала, мм  25
 Расположение вала  Горизонтальное
 Тип вала  LS-type
 Объем масла в двигателе, л  1,1
 Ёмкость топливного бака, л  6,5
 Крутящий момент  25 Нм при 2500 об/мин
 Диаметр цилиндра, мм  90
 Ход поршня, мм  66
 Степень сжатия  8,2:1
 Система запуска  Электро и Ручной стартер
 Катушка освещения, А  3А
 Наличие редуктор  Отсутствует
 Система подачи топлив  Карбюратор
 Габаритные размеры, мм  403х449х440
 Вес(нетто), кг  34
 Сфера применения  Генераторы, измельчители, культиваторы, мотоблоки, мотопомпы, снегоуборщики  

 

Характеристики
Диаметр вала, мм
25
Длина вала, мм
60
Емкость топливного бака, л
6,5
Катушка освещения, А
3,0
Мощность, кВт
10,5
Мощность, л.с.
15
Объем двигателя, см3
420
Применение
вездеходы
Применение
генераторы
Применение
измельчители
Применение
культиваторы
Применение
минитракторы
Применение
мотоблоки
Применение
мотобуры
Применение
мотопомпы
Применение
снегоуборщики
Производитель
Lifan
Расположение вала
Горизонтальное
Система запуска
Электрический и Ручной старт
Тип топлива
Бензин
Условия доставки
1Стоимость доставки до терминала транспортной компании в г.Москва
Доставка осуществляется до терминала транспортной компании. Межтерминальную перевозку оплачивает сам покупатель.
Стоимость доставки: 500 рублей
Отзывы
0
На основании 0 отзывов
5 Звезд
4 Звезды
3 Звезды
2 Звезды
1 Звезда
Оставьте отзыв!
Вы приобрели товар? Поделитесь своим мнением с другими и возможно вы поможете кому-то сделать правильный выбор!
Ваша оценка:
WhatsApp